一二级建造师考试网

您好,欢迎您进入唯才网考试中心

用户: 匿名  2026年03月29日

返回首页 |  设为首页  |  加入收藏

027-88605621

[官方版]2012年(10月)二级建造师《公路工程管理与实务》执业资格考试真题

( 试卷总分:120 分 ; 共有3大题 ; 考试时间:180分钟 )

试卷说明

单选题 : 选项当中只有一个是正确的答案

多选题 : 每题的备选项中,有2个或2个以上符合题意,至少有1个错项,错选,本题不得分;少选,所选的每个选项得0.5分

案例解析题 : 用户在提交试卷后,根据该题的答案和解析进行自我评分

第3大题:案例解析题(共80分)

【案例题1】(20分)

某施工单位承建了二级公路施工项目,设计车速60km/h,路基宽度10m。桩号K15+000~K18+000为石方开挖地段,石方含量达80%。桩号K18+000~K19+000为填方路堤,平均填方厚度15m,采用分层压实法,自下而上水平分层,逐层填筑,逐层压实。填方路段划分为四级施工平台、四个作业区段。在路床顶面以下0.5m为第一级台阶,0.5~1.5m为第二级台阶,1.5~3m为第三级台阶,3m以下为第四级台阶。四个作业区段是填石区段、平整区段、碾压区段和检验区段。填石作业自最低处开始,逐层水平填筑。每一层均采用机械摊铺、平整,铺撒嵌缝料,将填石空隙以小石和石屑填满铺平,采用重型振动压实设备碾压。

施工单位为充分发挥机械设备的效率,强化了施工机械设备的现场管理。施工单位在施工中对填石路基质量检验实测项目有:压实度、纵断面高程、中线偏位、宽度、边坡坡度和平顺度。

问题:

1.针对背景中的四个施工平台和四个作业区段,采用哪种施工组织形式最合理?

2.写出填石路基的施工工艺流程。

3.补充填石路堤质量检验还缺漏的实测项目。

4.简述填石路堤施工中的装运机械设备配置、摊铺平整机械设备配置和压实机械设备配置。

5.施工机械现场管理包含哪三方面工作?

【正确答案】 : 1.最合理的组织形式是:流水作业。

2.施工工艺流程是:施工准备、填料装运、分层填筑、摊铺整平、振动碾压、检测签认、路基成型、路基整修。

3.缺漏的检测项目是:平整度、横坡。

4.①装运机械设备配置为装载机(或挖掘机)和自卸车。②摊铺整平机械设备配置为推土机。③压实机械设备配置为自重不小于18t的振动压路机。

5.三方面工作是:①做好施工前的准备工作(机械的运输、安装、验收和交付使用工作)。②合理安排施工任务。③建立机械使用责任制。

align='center'/>
【考生答案】 :     
【得分】 : 0
【本题解析】 :

【解析】1.公路施工过程基本组织方法有顺序作业法(也称为依次作业法)、平行作业法、流水作业法。

流水作业法的主要特点有:

(1)必须按工艺专业化原则成立专业作业队(班组),实现专业化生产,有利于提高劳动生产率,保证工程质量;

(2)专业化作业队能够连续作业,相邻作业队的施工时间能最大限度地搭接;

(3)尽可能地利用了工作面进行施工,工期比较短;

(4)每天投入的资源量较为均衡,有利于资源供应的组织工作;

(5)需要较强的组织管理能力。这种方法可以充分利用工作面,有效地缩短工期,一般适用于工序繁多、工程量大而又集中的大型构筑物的施工。背景中,填方路段划分为四级施工平台、四个作业区段。在路床顶面以下0.5m为第一级台阶,0.5~1.5m为第二级台阶,1.5~3m为第三级台阶,3m以下为第四级台阶。四个作业区段是填石区段、平整区段、碾压区段和检验区段。施工作业区划分和工序划分都比较明确,有利于提高生产效率,保证工程质量,相对于顺序作业法和平行作业法,采用流水作业法是最适合的。

解题思路:这是一道施工组织管理方面的题。考核考生对流水作业法的应用。

2.填石路堤填筑方法包括竖向填筑法(倾填法)和分层压实法(碾压法)。竖向填筑法(倾填法)主要用于二级及二级以下且铺设低级路面的公路在陡峻山坡施工特别困难或大量爆破移挖作填路段,以及无法自下而上分层填筑的陡坡、断岩、泥沼地区和水中作业的填石路堤。该方法施工路基压实、稳定问题较多。本题背景所提供的材料表明,该项目采用了分层压实法(碾压法),它是普遍采用并能保证填石路堤质量的方法。该方法自下而上水平分层,逐层填筑,逐层压实。高速公路、一级公路和铺设高级路面的其他等级公路的填石路堤采用此方法。采用分层压实法(碾压法)填筑填石路堤的八道工艺流程是:施工准备、填料装运、分层填筑、摊铺平整、振动碾压、检测签认、路基成型、路基整修。

解题思路:这是一道填石路基施工技术方面的题。考核考生对填石路基施工技术的掌握情况。

3.背景中,施工单位在施工中对填石路基质量检验实测项目有:压实度、纵断面高程、中线偏位、宽度、边坡坡度和平顺度,显然有漏项。不论是土方路基还是石方路基,质量检验都离不开“平整度”与“横坡”。平整度达不到要求,无法进行下一道工序施工;横坡是路床排水的必备条件。凡是在公路路基现场施工过的技术人员都应该清楚这一点。

解题思路:这是一道路基工程质量检验方面的题。考核考生对填石路基工程质量检验项目的掌握情况。

4.本题要求考生从装运机械设备配置、摊铺平整机械设备配置和压实机械设备三个方面对设备进行配置,有了这个限定条件,考生答题就比较容易了。装运设备一般就是装载机和自卸式汽车,挖掘机也可以用来装车,所以答挖掘机也可以得分。摊铺整平机械设备主要有推土机和平地机。推土机装有推土铲刀,主要对土石方或散状物料进行切削或短距离搬运,平地机是一种铲土、运土、卸土同时进行的连续作业机械。本题是填石路堤,显然摊铺整平不适合平地机。压实机械就是指压路机。但考虑到本题属于填石路堤,必须使用不小于18t的振动压路机。况且,背景中“每一层均采用机械摊铺、平整,铺撒嵌缝料,将填石空隙以小石和石屑填满铺平,采用重型振动压实设备碾压”已经有很好的提示作用。

解题思路:这是一道机械设备配置与组合方面的题。考核考生对填石路基施工设备的配备应用能力。

5.在施工机械设备使用管理中,一是做好施工前的准备工作包括:机械的运输、机械的安装工作、机械的验收和交付使用工作。

二是合理安排施工任务包括:

(1)项目所需机械设备应编制机械设备使用计划。

(2)对进场的机械设备必须进行安装验收,做到资料齐全准确。

(3)进入现场的机械设备在使用中应做好维护和管理。

(4)项目经理部应采取技术、经济、组织、合同措施保证施工机械设备合理使用,提高施工机械设备的使用效率。

(5)用养结合,降低项目的机械使用成本。

三是建立机械使用责任制包括:

(1)各种机械设备都要严格实施操作规程等管理制度;严格执行“机械操作规程”;加强安全教育,重视施工安全和设备安全,遵守安全操作规程和行车规则,严禁超负荷或危险性作业。

(2)大型机械设备和多班作业的机械,必须建立机长责任制。

(3)操作人员必须持有国家相关管理部门核发的驾驶证和操作证。机械操作人员必须严格按照准驾机种操作机械;机械驾驶人员必须听从工地负责施工人员的指挥,按计划、按技术要求,保质保量及时完成任务。

(4)机械施工时,要有可靠的安全措施。在冬期施工,必须做好防冻、防滑;雨天施工,必须注意防塌、防汛、防潮、防雷、防滑等工作。

(5)凡投入使用的机械设备,均应符合主要技术条件。

(6)机械设备不得带病运行或超负荷作业;及时组织拆、换、修,不能因保修而影响施工,也不能因为施工繁重而不及时进行修理;凡新机或经大修、改造、重新安装的机械设备,均应按规定进行试运转。

解题思路:这是一道施工机械现场管理方面的题。考核考生对填石路基施工机械现场管理的掌握情况。


【案例题2】(20分)

某施工单位承接了2km的山区二级公路工程项目,其中包含一座长260m的双车道隧道。隧道进口洞顶覆盖层较薄,出口段的路堑地段受落石和塌方危害,隧道进出口段均设置12m的拱式明洞。其中进口段的路堑对明洞有偏压,路床有软基处理,出口段的路堑对明洞无偏压。

隧道开挖后,及时修筑了第一次衬砌,通过施工中的监控量测,确定围岩变形稳定后,修筑防水层及进行第二次衬砌。

隧道洞口段路面采用水泥混凝土路面,路面结构层自上而下为:20cm厚C30水泥混凝土面层;20cm厚水泥稳定碎石层;20cm厚填隙碎石基层。路面施工完成后进行了隧道通风、照明设施的施工。

隧道通车后,在进口段发现路面出现横向裂缝,施工单位对出现裂缝的原因进行调查分析,发现该段基层顶面标高比设计标高平均高出5cm,而混凝土制备、浇筑工艺、养护都满足要求,切缝及时。

问题:

1.简述本隧道工程设置明洞的理由。

2.根据荷载分布划分,该隧道的拱式明洞有哪些形式?

3.补充隧道中还需要施工的其他附属设施。

4.分析路面出现横向裂缝的可能原因。

【正确答案】 : 1.该隧道设置明洞的理由有:(1)洞口有落石和塌方危险;(2)进口段隧道埋深太浅(或洞顶覆盖层较薄)。

2.拱式明洞有:路堑对称型、路堑偏压型。

3.还需要施工的附属设施有:安全设施、供配电设施、应急设施。

4.可能的原因有:(1)混凝土路面基础发生不均匀沉降;(2)混凝土路面板厚不足;(3)切缝深度过浅。

align='center'/>
【考生答案】 :     
【得分】 : 0
【本题解析】 :

【解析】1.当隧道埋深较浅,上覆岩(土)体较薄,难采用暗挖法时,则应采用明挖法来开挖隧道。用这种明挖法修筑的隧道结构,通常称明洞。明洞具有地面、地下建筑物的双重特点,既作为地面建筑物用以抵御边坡、仰坡的坍方、落石、滑坡、泥石流等病害,又作为地下建筑物用于在深路堑、浅埋地段不适宜暗挖隧道时,取代隧道的作用。背景中“隧道进口洞顶覆盖层较薄,出口段的路堑地段受落石和塌方危害”这正是设置明洞的理由。考生答题一定要多从背景中发现线索。

解题思路:这是一道隧道结构组成方面的题。考核考生对隧道明洞的运用能力。

2.首先我们来了解一下明洞的分类:明洞主要分为两大类,即拱式明洞和棚式明洞。按荷载分布,拱式明洞又可分为路堑对称型、路堑偏压型、半路堑偏压型和半路堑单压型。按构造,棚式明洞又可分为墙式、刚架式、柱式等。背景中“隧道进出口段均设置12m的拱式明洞。其中进口段的路堑对明洞有偏压,路床有软基处理,出口段的路堑对明洞无偏压。”所以本题隧道的进出口隧道拱式明洞的类型是路堑对称型、路堑偏压型。

解题思路:这是一道隧道结构组成方面的题。考核考生对隧道拱式明洞的掌握情况。

3.隧道的附属设施是指为确保交通安全和顺适而设置的通风设施、照明设施、安全设施、供配电设施、应急设施等。背景中提到“路面施工完成后进行了隧道通风、照明设施的施工”,所以,还需要施工的附属设施有:安全设施、供配电设施、应急设施。

解题思路:这是一道隧道结构组成方面的题。考核考生对隧道附属设施的掌握情况。

4.首先,总结一下水泥混凝土路面横向裂缝产生的原因:

(1)混凝土路面切缝不及时,由于温缩和干缩发生断裂。混凝土连续浇筑长度越长,浇筑时气温越高,基层表面越粗糙越易断裂。

(2)切缝深度过浅,由于横断面没有明显削弱,应力没有释放,因而在临近缩缝处产生新的收缩缝。

(3)混凝土路面基础发生不均匀沉陷(如穿越河浜、沟槽,拓宽路段处),导致板底脱空而断裂。

(4)混凝土路面板厚度与强度不足,在行车荷载和温度应用下产生强度裂缝。

(5)水泥干缩性大;混凝土配合比不合理,水灰比大;材料计量不准确;养生不及时。

(6)混凝土施工时,振捣不均匀。

结合到本题背景,横向裂缝出现在进口段,第一段提到“其中进口段的路堑对明洞有偏压,路床有软基处理”,所以可能的原因之一就是混凝土路面基础发生不均匀沉降。背景最后一段提到“发现该段基层顶面标高比设计标高平均高出5cm”,基层顶面标高高出5cm意味着面板厚度减薄5cm,所以可能的原因之二就是混凝土路面板厚不足。背景提到“混凝土制备、浇筑工艺、养护都满足要求”说明这几方面都没有问题,并没有排除切缝深度方面的可能性,所以可能的原因之三就是切缝深度过浅。

解题思路:这是一道路面病害防治方面的题。考核考生对水泥混凝土路面裂缝的防治的掌握情况。


【案例题3】(20分)

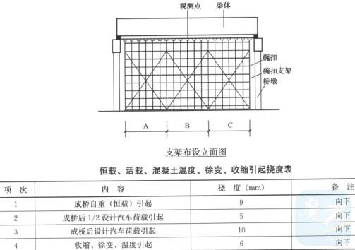
某跨度40m现浇预应力钢筋混凝土简支梁桥,采用后张法张拉预应力。施工单位采用碗扣式满堂支架施工(见下图),支架由钢管、扣件、型钢等组成,纵横梁采用电弧焊连接。支架为就近租赁,为保证支架安装质量,施工单位认真检查了扣件的外观质量。

为了保证支架的承载力以及消除支架和支架地基引起的塑性变形,对支架进行了堆沙袋预压,压重为梁自重的1.2倍(梁自重加施工荷载),并在跨中支架顶部设置了标高观测点。

观测点预压前标高为185.756m,进行分级预压,100%预压荷载时观测点的标高为185.701m。预压稳定后进行了分级卸载,卸载后观测点的标高为185.725m。

经计算,该桥达到了设置预拱度的条件,恒载、活载、混凝土温度、徐变、收缩引起挠度见下表,并按二次抛物线设置预拱度。跨中底板的设计标高为185.956m。

梁体浇筑后进行了预应力的张拉,然后拆除支架。为保证施工安全,拟定分三部分(A、B、C)(如下图所示),分批分次拆除支架。

问题:

1.计算梁自重和施工荷载作用下的弹性变形(保留小数点后三位)。

2.计算该支架跨中需要设置的预拱度以及底板的立模标高(保留小数点后三位)。

3.排列A、B、C三部分合理的拆除顺序。

4.写出旧扣件外观质量可能存在的病害。

5.写出架设本桥支架所需要的特殊工种。

【正确答案】 : 1.185.725-185.701=0.024m

2.预拱度=0.024+0.009+0.005+0.006=0.044m

立模标高=185.956+0.044=186.000m

3.先B后A、C,A、C必须同时。

4.扣件变形、锈蚀(或生锈)、裂缝(或破裂、裂纹、开裂)、螺栓的滑丝。

5.架子工、起重机司机(或吊车驾驶员)、司索工(起重工)、信号指挥工(或起重信号工)、电焊工、电工。

align='center'/>
【考生答案】 :     
【得分】 : 0
【本题解析】 :

【解析】1.简支梁梁自重和施工荷载作用下的弹性变形就是跨中观测点在100%预压荷载时的标高值与预压稳定后进行了分级卸载后观测点标高之间的差值(绝对值)。这部分变形是可以“弹”回去的,属于弹性变形。有考生认为185.756-185.701=0.055m,这是不对的,因为这里面包含了地基沉降、支架变形等非弹性变形。

解题思路:这是一道桥梁上部结构支架施工技术方面的题。考核考生对支架弹性变形的掌握情况。

2.确定施工预拱度应考虑的因素:

(1)卸架后上部构造本身及活载一半所产生的竖向挠度。

(2)支架在荷载作用下的弹性压缩挠度。

(3)支架在荷载作用下的非弹性压缩挠度。

(4)支架基底在荷载作用下的非弹性沉陷。

(5)由混凝土收缩及温度变化而引起的挠度。

前面计算出来的支架弹性变形0.024m是必须计入预拱度的。背景中“成桥自重(恒载)引起的扰度9mm”是必须考虑的,“成桥后1/2设计汽车荷载引起的扰度5mm”和“收缩、徐变、温度引起的扰度6mm”均需要考虑。故,预拱度=0.024+0.009+0.005+0.006=0.044m。跨中底板的设计标高为185.956m加上预拱度0.044m就是立模标高。

解题思路:这是一道桥梁上部结构支架施工方面的题。考核考生对预拱度的计算能力。

3.从背景图中可以看出,B是位于跨中三分之一部分的支架,A、C是位于两边支座附近对称的三分之一。为了安全起见,支架拆除一般遵循以下原则:纵向对称均匀(先跨中后两端),横向同时卸落,故,应先拆除跨中部分,再对称拆除支座处的支架。

解题思路:这是一道桥梁上部结构支架施工方面的题。考核考生对支架拆除施工技术的掌握情况。

4.本题考查考生对旧扣件外观质量可能存在的病害种类。众所周知,扣件属于周转材料,是多次反复使用的低值易耗品,它的外观破损通常可以观察到:扣件变形、锈蚀(或生锈)、裂缝(或破裂、裂纹、开裂)、螺栓的滑丝。这些外观病害对于长期在工程现场一线的工作人员都耳熟能详。

解题思路:这是一道周转材料管理方面的题。考核考生对扣件使用的掌握情况。

5.本题需要考生对支架的搭设工序和流程比较熟悉,然后了解特殊工种的种类。搭设脚手架一定需要架子工,吊装支架、材料必须使用起重机,属于涉及起重机的特殊工种有:起重机司机(或吊车驾驶员)、司索工(起重工)、信号指挥工(或起重信号工)。另外,施工用电的搭设、支架的焊接工作中,电焊工、电工都属于特殊工种,在架设本桥支架中都是必需的人员。本题解答时可以多写,每答对一个工种得一分,但总得分不超过4分。

解题思路:这是一道特殊工种管理方面的题。考核考生对支架搭设人工安排的掌握情况。


【案例题4】(20分)

某施工单位承接的二级公路中有四道单跨2.0m×2.0m钢筋混凝土盖板涵,在编制的《施工组织设计》中,对各涵洞的工序划分与工序的工作时间分析如下表:

施工单位最初计划采用顺序作业法组织施工,报监理审批时,监理认为不满足工期要求,要求改为流水作业法。

根据现场施工便道情况,施工单位决定分别针对A、B、C、D四道工序组织四个专业作业队伍,按4号→3号→2号→1号涵洞的顺序采用流水作业法施工,确保每个专业作业队的连续作业。在每个涵洞的“基础开挖及软基换填”工序之后,按《隐蔽工程验收制度》规定,必须对基坑进行检查和验收,检查和验收时间(间歇时间)按2天计算。验收由施工单位项目负责人组织施工人员、质检人员,并请监理单位人员及设计代表参加。验收的项目为:基坑几何尺寸、地基处理。验收合格后才进行下一道工序的施工。

问题:

1.计算按顺序作业法组织四道涵洞施工的工期。

2.计算按流水作业法组织施工的流水步距及总工期。

3.绘制按流水作业法组织施工的横道图(要求横向为工期,纵向为工序)。

4.根据《隐蔽工程验收制度》,验收时还必须邀请哪个单位参加?

5.补充基坑验收时缺漏的项目。

【正确答案】 :

1.1号涵洞:6+2+4+5+2=19d

2号涵洞:7+2+3+4+2=18d

3号涵洞:4+4+4+3+2=17d

4号涵洞:5+4-1-5+4+2=20d

总工期=19+18+17+20=74d

(或者:总工期=6+2+4+5+7+2+3+4+4+4+4+3+5+4+5+4+2×4=74d)

2.流水施工工期计算:采用“累计数列错位相减取大差法”计算。KAB:

所以KAB=12,同理可得KBC=4,KCD=5,所以T=(12+4+5)+(4+3+4+5)+2=39天。

3.

4.建设单位(或业主单位)。

5.土质情况(或基底承载力),标高。

【考生答案】 :     
【得分】 : 0
【本题解析】 :

【解析】1.此题考察顺序作业法,属于较容易考点,考生完全可以凭借生活常识推断,只是注意需要加上间歇时间。当然前提是必须理解顺序作业的含义。

解题思路:这是考察顺序作业法的知识点。顺序作业法是根据工程结构施工程序和工艺流程,按照先后顺序施工操作,按照固定的程序组织施工,其工期的计算为各个施工程序持续时间之和(包括间歇时间)。因此题目中工期等于4个涵洞的持续时间加上4个检查和验收时间(间歇时间)。

2.此题考察无节奏流水施工工期计算,属于重要考点,不仅要求考生掌握流水施工的概念、组织形式,还需要掌握各种时间参数计算。

解题思路:这是考察无节奏(或无节拍)流水施工的知识点。工期T=∑K+∑Tn+∑tg(K为流水步距,采用“累计数列错位相减取大差法”计算;Tn为最后一个施工过程在某一个施工段上的流水节拍;t为相邻两专业队之间的技术间歇组织间歇时间),分别将题中数据代入公式即可得到结果。需要特别注意在累计数列时,需要按照4号→3号→2号→1号的顺序来累计。

3.此题考察无节奏流水施工横道图的绘制,属于较难考点,建议考生重点掌握。

解题思路:这是考察无节奏流水施工横道图的知识点。按照绘制横道图的方法进行绘制即可,注意相邻两项工作之间的流水步距和技术间歇,还需注意流水的段落顺序是4号→3号→2号→1号,在绘制时也需按照此顺序绘制。

4.此题考察隐蔽工程验收参加单位,属于较容易考点,建议考生理解性记忆。

解题思路:这是考察隐蔽工程验收参加单位的知识点。根据《隐蔽工程验收制度》的规定,隐蔽工程隐蔽前必须进行质量检查和验收,由施工项目负责人组织施工人员、质检人员,并请监理单位、建设单位代表参加,必要时请设计人参加。

5.此题考察隐蔽工程中基坑验收项目,属于重要考点,出题频率较高,建议考生全面掌握隐蔽工程验收的所有项目。

解题思路:这是考察隐蔽工程中基坑验收项目的知识点。根据《隐蔽工程验收制度》和公路工程质量检验和验收的相关规定,基坑的验收包括土质情况、基槽几何尺寸、标高、地基处理。

本大题共有 4 道小题 ,当前页: 1 / 1总页数首页上一页1下一页尾页



   本大题所有小题如下:
您目前得分:40分